【分享】基于STM32温室智能监测控制系统设计/STM32温湿度传感器采集报警系统/基于STM32室内空气净化监测系统设计/51单片机的传送带产品计数器/STM32两轮自平衡小车系统设计 毕设课设
1647基于STM32温室智能监测控制系统设计(温控补光功能)仿真,程序设计功能包含温湿度检测、光照强度检测,可以通过温湿度和光照来控制灯和电机风扇运转。包含的电路有:温湿度检测电路,电机电路,液晶显示电路、光照强度检测电路、按键电路、LED指示电路、蜂鸣器电路等。#include "stm32f10x.h"#include "LQ12864.h"#include "adc.h"#include
1647基于STM32温室智能监测控制系统设计(温控补光功能)仿真,程序
设计功能包含温湿度检测、光照强度检测,可以通过温湿度和光照来控制灯和电机风扇运转。包含的电路有:温湿度检测电路,电机电路,液晶显示电路、光照强度检测电路、按键电路、LED指示电路、蜂鸣器电路等。
#include "stm32f10x.h"
#include "LQ12864.h"
#include "adc.h"
#include "dth11.h"
#define PUSH_UP 1
#define PUSH_DOWN 2
#define PUSH_OK 3
#define PUSH_NONE 4
void main_delay(u32 ms)
{
int i, j;
for(i = 0; i < ms; i++)
{
for(j = 0; j < 1000; j++)
{
;
}
}
}
//按键初始化函数
void KEY_Init(void) //IO初始化
{
GPIO_InitTypeDef GPIO_InitStructure;
//初始化KEY0-->GPIOA.1 上拉输入
RCC_APB2PeriphClockCmd(RCC_APB2Periph_GPIOB,ENABLE);//使能PORTA,
GPIO_InitStructure.GPIO_Pin = GPIO_Pin_0 | GPIO_Pin_1 | GPIO_Pin_2;//PE2~4
GPIO_InitStructure.GPIO_Mode = GPIO_Mode_IPU; //设置成上拉输入
GPIO_Init(GPIOB, &GPIO_InitStructure);//初始化GPIOA1
省略。。
1648基于STM32温湿度传感器采集报警系统设计(含超声波测距)
这次的设计主要是通过读取DHT11和HCSR04的数值,(Proteus的传感器貌似这两款好用一点)把读取的DHT11和HCSR04数值通过转化在lcd1602中显示出来,还有就是可以设置通过按键设置DHT11的温湿度阈值。
湿度低于88%;警报响,红灯亮
#include <stm32f4xx.h>
#include "delay.h"
#include "DHT11.h"
#include "LCD1602.h"
#include "SOUN.h"
#include "KEY_ExitInit.h"
#include "LED_INIT.h"
#include "HCSR04.h"
unsigned char move = 0x82;
unsigned char RH,RL,TH,TL;
unsigned char h0 = 0X38,h1 = 0X36;
unsigned char t0 = 0X32,t1 = 0X38;
unsigned char DATA[4];//存温湿度数据
unsigned char Leg[4];//存超声波
unsigned char R[7] = "SD:";
unsigned char H[7] = "WD:";
unsigned char L[7] = "Legth:";
unsigned char r[2] = "%";
unsigned char h[2] = "C";
////////////////////////// 读DHT11数据及数据转换 ///////////////////////////////////////
int DHT11_ReadDATA(void)
{
int i;
省略。。
1649基于STM32室内空气净化监测系统设计
基于STM32室内空气净化监测系统设计。设计包含原理图、PCB、程序、演示视频等。
实物制作电路方案。
#include "stm32f10x.h"
void GPIO_Configuration(void)
{
GPIO_InitTypeDef GPIO_InitStructure;
GPIO_InitStructure.GPIO_Pin = GPIO_Pin_10;
GPIO_InitStructure.GPIO_Mode = GPIO_Mode_IN_FLOATING;
GPIO_Init(GPIOA, &GPIO_InitStructure);
GPIO_InitStructure.GPIO_Pin = GPIO_Pin_9;
GPIO_InitStructure.GPIO_Speed = GPIO_Speed_50MHz;
GPIO_InitStructure.GPIO_Mode = GPIO_Mode_AF_PP;
GPIO_Init(GPIOA, &GPIO_InitStructure);
省略。。
1662基于51单片机的传送带产品计数器系统设计-仿真-程序
通过方波脉冲模拟传感器检测产品个数,并包含传送带电机。可以通过按键设置目标个数,当数目达到目标时,会进行声光提示。电路包含:单片机电路、按键电路、LCD显示电路、蜂鸣器电路、LED指示电路、电机电路、传感器模拟电路。
#include <reg51.h>
#include <intrins.h>
#define uchar unsigned char
#define uint unsigned int
#define ulong unsigned long
//用液晶屏显示参数
uchar code zifx0[]="0123456789abcdef";
uchar code zifu0[]="Now Number:0000";
uchar code zifu1[]="Set Number:0000";
sbit RS=P3^1;
//写信号
sbit RWW=P3^3;
//读信号
sbit E=P3^4;
//使能信号
#define e1 E=1
#define rd1 RWW=1
#define rs1 RS=1
#define e0 E=0
#define rd0 RWW=0
#define rs0 RS=0
#define PP P1
//延时函数ms
void _delay_ms(uint t) {
uint i,j;
for (i=0;i<t;i++)
省略...
1650基于STM32两轮自平衡小车系统设计与控制 含源码、原理图及PCB文件
一、硬件介绍
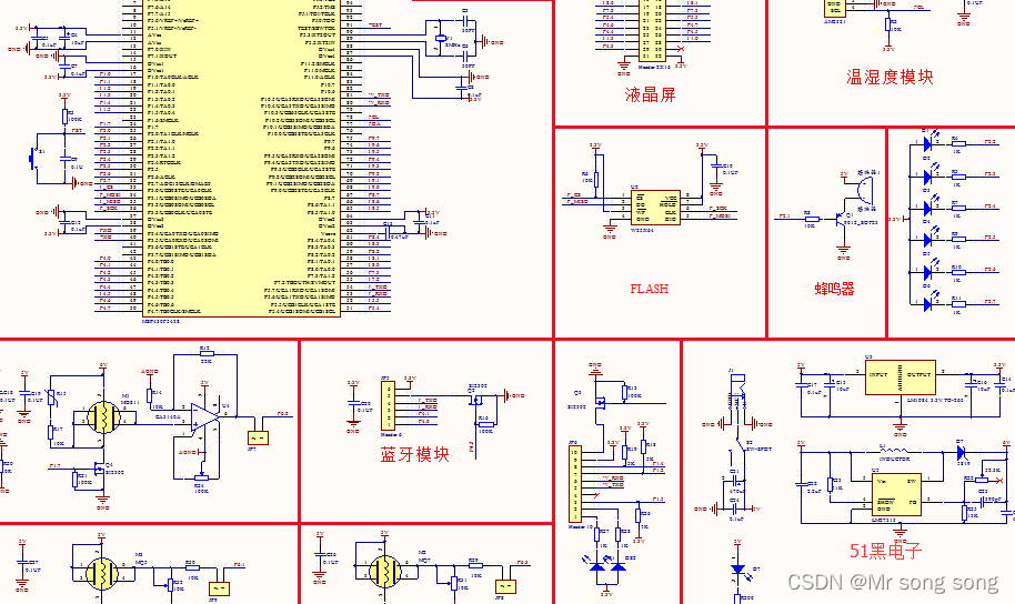
主控芯片用的是100脚的STM32F103VET6,陀螺仪用的是MPU6050,电机驱动用的是TB6612,蓝牙是汇承的HC05邮票孔封装的,WIFI用的是济南有人科技的USR-WIFI232-S,小车底盘用的是平衡小车之家的某一款带编码器的(不是我买的,同学的),电池用的是一节7.2的镍镉电池,液晶用的是中景园电子1.3寸IIC接口的OLED,开关用的是三脚纽子开关,电池接口用的是T插,电阻电容这些用的基本上是0603封装,编码器5V降压用的是ASM1117-5.0,3.3V降压用的是SP6203,拨码开关用的是4P贴片式2.54mm角距的,按键是两脚贴片,microusb接口用的是5针 7.2四脚插板牛角母座,超声波是某宝上几块钱烂大街的那种,蜂鸣器是有源的,编码器是小车底盘自带的,电池电压检测是电阻分压之后通过电压跟随器接入MCU内部AD测量的。
二、主控板资源介绍
STM32F103VET6主控芯片;两个microusb口,第一个是MCU的串口1,可作为普通的串口收发数据,通过调节板上BOOT选项,也可将其作为ISP下载程序接口;第二个是SWD硬件仿真接口;蓝牙模块,与MCU的串口2连接;WIFI模块,与MCU的串口3相连;一块1.3寸IIC协议的液晶接口;超声波接口;双电机驱动;六轴陀螺仪;电池电压检测;4个用于调试的LED;4个独立式按键;一组4P的拨码开关;有源蜂鸣器;两个6P带AB相编码器的电机接口。
文章转自电设屋,资料百度网盘下载地址 https://www.aiesst.cn/share.html
更多推荐
所有评论(0)